SL系列静音交流接触器

宜用于空调、温水器、干燥机等开关次数少、寿命短的开关

产品信息

  • 特点
  • 规格

特点

  • 开关时的动作声音大幅降低。(与本公司现有产品相比降低了10~15的BA)
  • 控制线圈交直流两用。
  • 内置线圈电涌吸收元件。

应用

此处可以播放工作声音的样品
http://fujielectric-fa-movie.com/silent/video-nb/

型号定额

控制线圈电压及特性

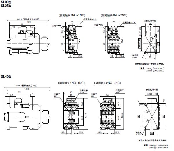
外形尺寸图

锄头构成图

 

Innovating Energy Technology
Copyright© 2011Fuji Electric (China) Co., Ltd. All Rights Reserved.
沪ICP备15040911号-1

沪公网安备 31010702002305号

Baidu
map